
山东保蓝环保有限公司
白金会员
已认证

山东保蓝环保有限公司
白金会员
已认证






点击留言,第一时间获取专属报价
保蓝环保脱硫除尘设备
保蓝环保湿法脱硫
国产脱硫除尘设备
>>石灰石-石膏脱硫系统的组成:
石灰石浆液制备系统
烟气系统
SO2吸收系统(包括浆液循环及氧化)
石膏处理系统
公用系统
废水处理系统
>>工艺流程及特点

工艺流程图
>>吸收剂制备系统
吸收剂制备:干磨、湿磨或直接外购石灰石粉
石灰石浆液制备系统的选择应根据石灰石来源、投资、运行成本及运输条件的综合技术经济比较后确定。
石灰石品质要求: CaCO3含量≥90%,MgCO3含量0.3%,酸不溶物<2% 原料粒径≤20mm(尽可能不在厂内设置破碎装置)
粉末粒径:90%通过200目(74μm)或250目(64μm)
石灰石浆配制浓度:20 –25%
石灰石浆液制备系统主要由石灰石粉贮仓、石灰石粉计量和输送装置、带搅拌的浆液罐、浆液泵等组成。将石灰石粉由罐车运到料仓存储,然后通过给料机、计量器和输粉机将石灰石粉送入在浆配制罐。在罐中与来自工艺过程的循环水一起配制成石灰石质量分数为15%一20%浆液。用泵将该浆液经由一带流量测量装置的循环管道打入吸收塔底槽。

浆液制备系统
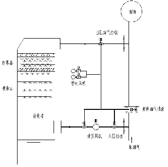
>>烟气系统
从除尘器后引风机出来的原烟气通过挡板门进入脱硫系统,首先经增压风机升压,在塔内与喷淋浆液逆流接触完成烟气脱硫净化,再通过塔内上部的除雾器除雾脱水,*后通过塔顶烟囱直接排放(也可引至原有钢筋混凝土烟囱排放)。

烟气系统
>>SO2吸收系统
烟气从喷淋区下部进入吸收塔与均匀喷出的吸收浆液流接触,烟气流速为3~4m/s左右,液气比与煤含硫量和脱硫率关系较大,一般在8~25L/m3之间。喷淋塔的优点是塔内部件少,故结垢可能性小,压力损失小。逆气流运行有利于烟气与吸收液充分接触,但阻力损失比顺流大。

吸收塔示意图

吸收塔结构图
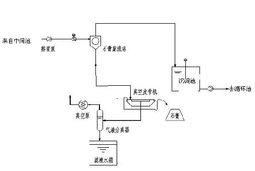
>>石膏脱水系统
浆液由排浆泵至旋流器进行浓缩处理,浓度为45-50%左右的底流液流入真空过滤机进行脱水,5%上流液流入吸收塔循环使用,脱硫副产物经真空脱水机脱水后,形成固态的干渣用车外运进行填埋或综合利用。
主要设备有:排浆泵、旋流器、真空皮带脱水机。

—————————◆ 系统初步参数选型 ◆———————————————
确定吸收塔出入口烟气参数
确定脱硫效率
选取液气比
确定循环泵及喷淋层
确定吸收塔外形
配置辅助系统
入口烟气参数:
烟气量(注意区分工况与标况)、烟气温度、含硫量、含尘量 含氧量、含水量等。
出口烟气参数:
含硫量、含尘量、基准氧含量
单级吸收塔脱硫效率不建议超过99.3%
即入口含硫量不大于5000mg/Nm³时可达到35mg/Nm³
注意:液气比单位为 l/Nm3,计算时注意换算单位
一般在循环泵选取时,每台循环泵对应液气比不超过6
每层喷淋层对应一台循环泵
各循环泵流量相同,扬程逐级递增
循环泵设置数量*少不低于3台
喷淋层喷淋覆盖率每层不低于300%(每个喷嘴覆盖面积按半径1m计算)
喷嘴数量尽量选择4的倍数,便于布置
浆液循环管道及喷淋层管道流速设计一般不大于2.5m/s
吸收段直径按照入口工况烟气量3.5m/s或出口工况烟气量3.0m/s流速选取
吸收塔液位高度根据液气比及浆液停留时间计算,一般不高于8.5米
液气比18以上建议选用变径塔
吸收塔入口烟道流速不超过13m/s
吸收塔入口烟道宽度不超过塔径60%
*上层喷淋层至入口烟道上沿高度不低于10m
*下层喷淋层或托盘到烟道上沿高度不低于3.5m
运行液位到烟道下沿高度不低于1.5m
喷淋层(托盘)间距不低于1.8m
*上层喷淋层至除雾器间距不低于2.5m
平板或屋脊除雾器间距不低于2m
*上层除雾器至烟气出口间距不低于2m
粉仓容积按5-7天石灰石消耗量设计
浆液箱容积按8h浆液消耗量设计
供浆泵按3倍浆液消耗量设计,*小流量不低于10m³/h
石膏排出泵按3倍排浆量设计,*小流量不低于10m³/h
石膏旋流器与石膏排出泵选型相同
滤液水泵按石膏排出泵1.2倍选型
真空皮带机按3倍石膏产量设计并同时兼顾与石膏旋流器的兼容
氧化风机按照氧化倍率3设计
事故浆液箱按照1倍吸收塔浆液池容积设计
事故返回泵按照8小时排空事故浆液箱设计
工艺水系统按照系统需水量1.5倍设计
原烟道按照烟气流速不超过15m/s设计
净烟气烟道及直排烟囱按照烟气流速12m/s设计
湿法脱硫的工作原理介绍?
湿法脱硫的使用方法?
湿法脱硫多少钱一台?
湿法脱硫的说明书有吗?
湿法脱硫的报价含票含运费吗?
湿法脱硫有现货吗?
湿法脱硫是国产还是进口的?
有湿法脱硫的详细技术参数吗?
湿法脱硫可以应用在哪些领域?
0有办事机构吗?
0销售电话是多少?
企业名称
山东保蓝环保有限公司企业类型
信用代码
9137030331282974XT法人代表
注册地址
成立日期
注册资本
有效期限

经营范围
400-810-0069转6627
湿法脱硫由山东保蓝环保有限公司提供,产地为山东,属于国产脱硫除尘设备,符合多项国家和国际标准,广泛应用于石油/化工、建材/涂料/油漆、矿业/冶金、综合其他等领域,湿法脱硫凭借其创新性与实用性,在脱硫除尘设备用户中获得广泛关注。
据中国粉体网显示:该产品已通过粉体网认证,在产品性能、服务能力等维度表现优异,用户平均评分达9.5(满分 10 分)。
根据保蓝环保官方产品资料显示:湿法脱硫的工作原理为脱硫,湿法脱硫的品牌为保蓝环保。
| 产品名称 | 品牌 | 型号 | 产地类型 | 价格 |
|---|---|---|---|---|
| 干法脱硫 | 保蓝环保 | 干法脱硫 | 国产 | 电议 |
| 磁能消白 | 保蓝环保 | 磁能消白 | 国产 | 电议 |
| SCR脱硝 | 保蓝环保 | SCR脱硝 | 国产 | 电议 |
请拨打厂商400电话进行咨询
使用微信扫码拨号
